| Обозначение: |  ГОСТ Р 50133-92 |
| Статус: | действующий |
| Название рус.: | Красящие ленты на бумажной или полимерной основе. Характеристики сердечников |
| Название англ.: | Paper or plastic printing ribbons. Characteristics of cores |
| Дата актуализации текста: | 06.04.2015 |
| Дата актуализации описания: | 01.01.2021 |
| Дата издания: | 22.10.1992 |
| Дата введения: | 01.01.1993 |
| Код ОКП: | 426910 |
| Содержит требования: | ISO 3540:1976 |
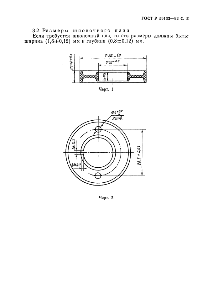
| Область применения: | Настоящий стандарт распространяется на сердечники катушек, предназначенных для красящих лент шириной 8 мм на бумажной или полимерной основе, применяемых в пишущих и печатных устройствах систем информационной технологии и устанавливает основные размеры сердечников |
|
| Расположен в: |
|