| Обозначение: |  ГОСТ Р 51860-2002 |
| Статус: | действующий |
| Название рус.: | Обеспечение износостойкости изделий. Оценка противоизносных свойств смазочных материалов методом "шар - цилиндр" |
| Название англ.: | Products wear resistance assurance. Evaluation of lubrication materials antiwear properties by "ball - cylinder" method |
| Дата актуализации текста: | 06.04.2015 |
| Дата актуализации описания: | 01.07.2023 |
| Дата издания: | 01.03.2006 |
| Дата введения: | 01.07.2002 |
| Код ОКП: | 025400 |
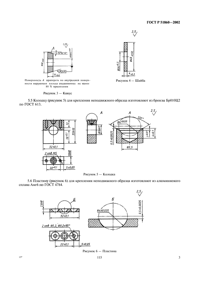
| Нормативные ссылки: | ГОСТ 613-79; ГОСТ 801-78; ГОСТ 1012-72; ГОСТ 1050-88; ГОСТ 2603-79; ГОСТ 3722-81; ГОСТ 4727-83; ГОСТ 4784-97; ГОСТ 17475-80; ГОСТ 27365-87; ГОСТ 27674-83; ГОСТ Р 50740-95 |
| Область применения: | Настоящий стандарт устанавливает метод оценки противоизносных свойств жидких смазочных материалов, применяемых для смазывания трущихся поверхностей, по значениям параметров функции, аппроксимирующей зависимость интенсивности изнашивания от давления при постоянной нагрузке. Метод предназначен для проведения сравнительных и отборочных испытаний жидких смазочных материалов |
|
| Расположен в: |
|