| Обозначение: |  ГОСТ Р 57905-2017 |
| Статус: | действующий |
| Название рус.: | Двигатели дизельные. Топливные рядные насосы и насосы высокого давления для аккумуляторных топливных систем CR, устанавливаемые на основание. Габаритные и присоединительные размеры |
| Название англ.: | Diesel Engines. Base-mounted in-line fuil injection pumps and high-pressure supply pumps for common rail fuel injection systems. Mounting dimensions |
| Дата актуализации текста: | 01.01.2018 |
| Дата актуализации описания: | 01.01.2021 |
| Дата издания: | 22.11.2017 |
| Дата введения: | 01.07.2018 |
| Содержит требования: | ISO 7612:2009 |
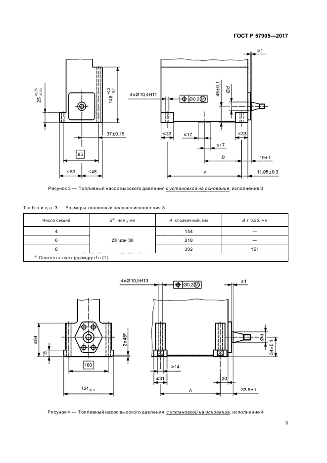
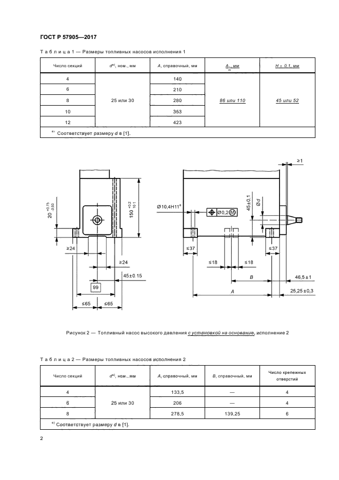
| Область применения: | Настоящий стандарт определяет требования к размерам устанавливаемых на основание рядных топливных насосов высокого давления и насосов высокого давления аккумулятроных топливных систем Common Rail (CR) дизельных двигателей |
|
| Расположен в: |
|