| ||||||||||||||||||||||||||||||||||||||||||
Скачать ГОСТ Р 55820-2013 Рельсы железнодорожные остряковые. Технические условияДата актуализации: 01.06.2025
| ||||||||||||||||||||||||||||||||||||||||||
| Обозначение: | ![]() ГОСТ Р 55820-2013 |
| Статус: | действующий |
| Название рус.: | Рельсы железнодорожные остряковые. Технические условия |
| Дата актуализации текста: | 01.01.2023 |
| Дата актуализации описания: | 01.07.2023 |
| Дата издания: | 08.06.2018 |
| Дата введения: | 01.08.2017 |
| Код ОКП: | 092100 |
| Нормативные ссылки: | ГОСТ Р 8.563-2009; ГОСТ Р ИСО 14284-2009; ГОСТ Р 50542-93; ГОСТ Р 51685-2013; ГОСТ Р 54153-2010; ГОСТ 15.309-98; ГОСТ 166-89; ГОСТ 427-75; ГОСТ 1497-84; ГОСТ 2789-73; ГОСТ 3749-77; ГОСТ 7502-98; ГОСТ 7565-81; ГОСТ 8026-92; ГОСТ 8233-56; ГОСТ 8925-68; ГОСТ 9012-59; ГОСТ 10243-75; ГОСТ 15150-69; ГОСТ 16504-81; ГОСТ 17745-90; ГОСТ 18321-73; ГОСТ 18895-97; ГОСТ 21014-88; ГОСТ 22536.1-88; ГОСТ 22536.2-87; ГОСТ 22536.3-88; ГОСТ 22536.4-88; ГОСТ 22536.5-87; ГОСТ 22536.7-88; ГОСТ 22536.8-87; ГОСТ 22536.9-88; ГОСТ 22536.10-88; ГОСТ 22536.11-87; ГОСТ 22536.12-88; ГОСТ 33477-2015; ГОСТ 2.601-2013;ГОСТ ISO 9001-2011 |
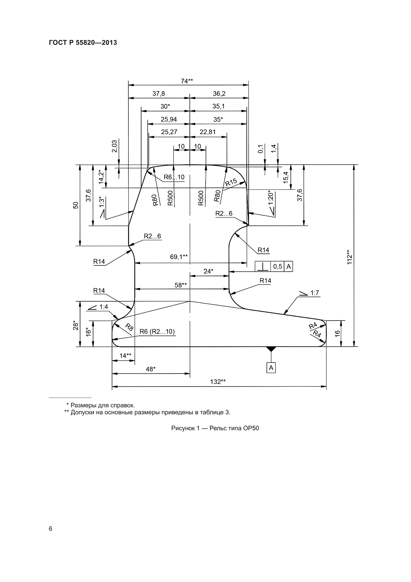
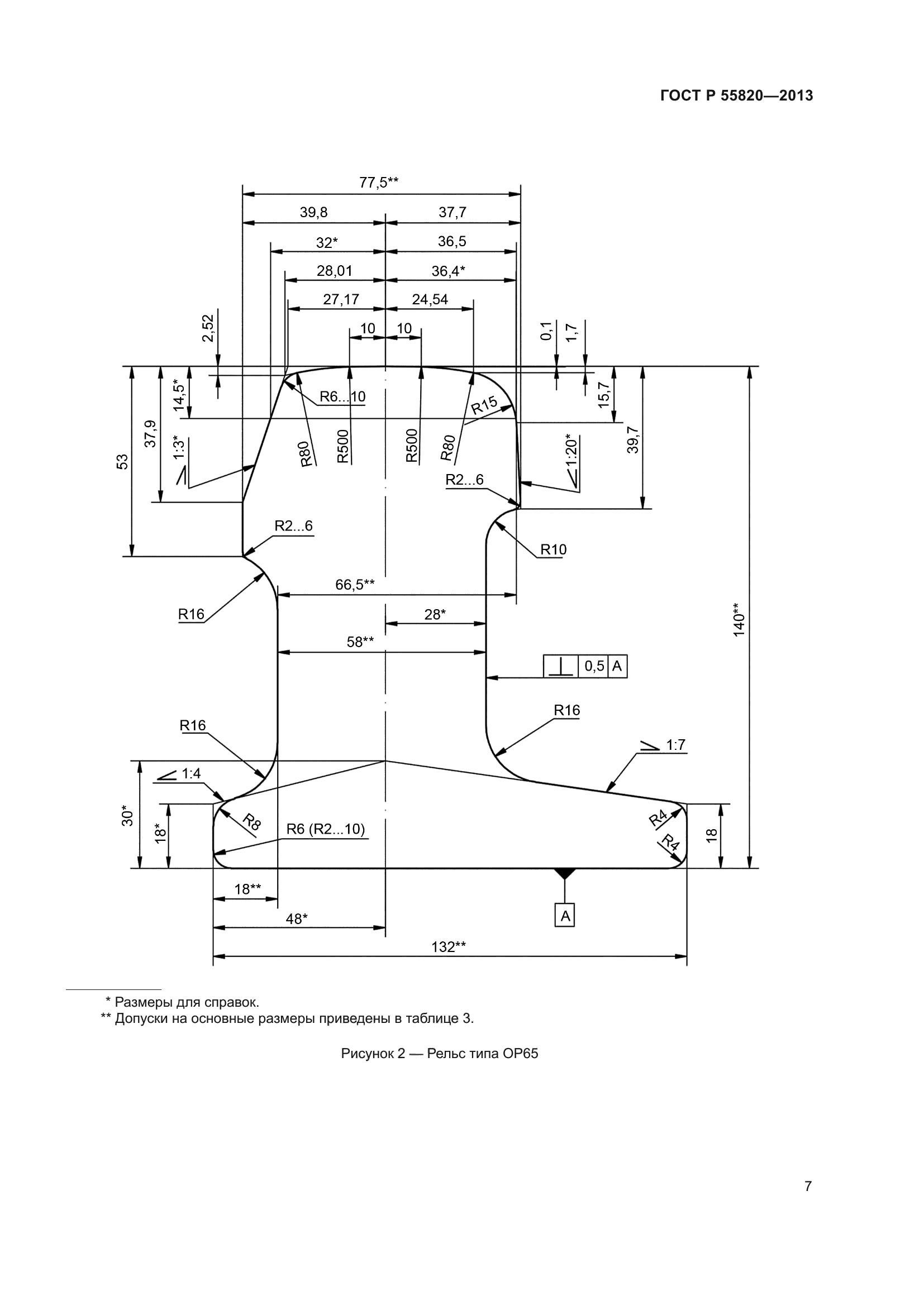
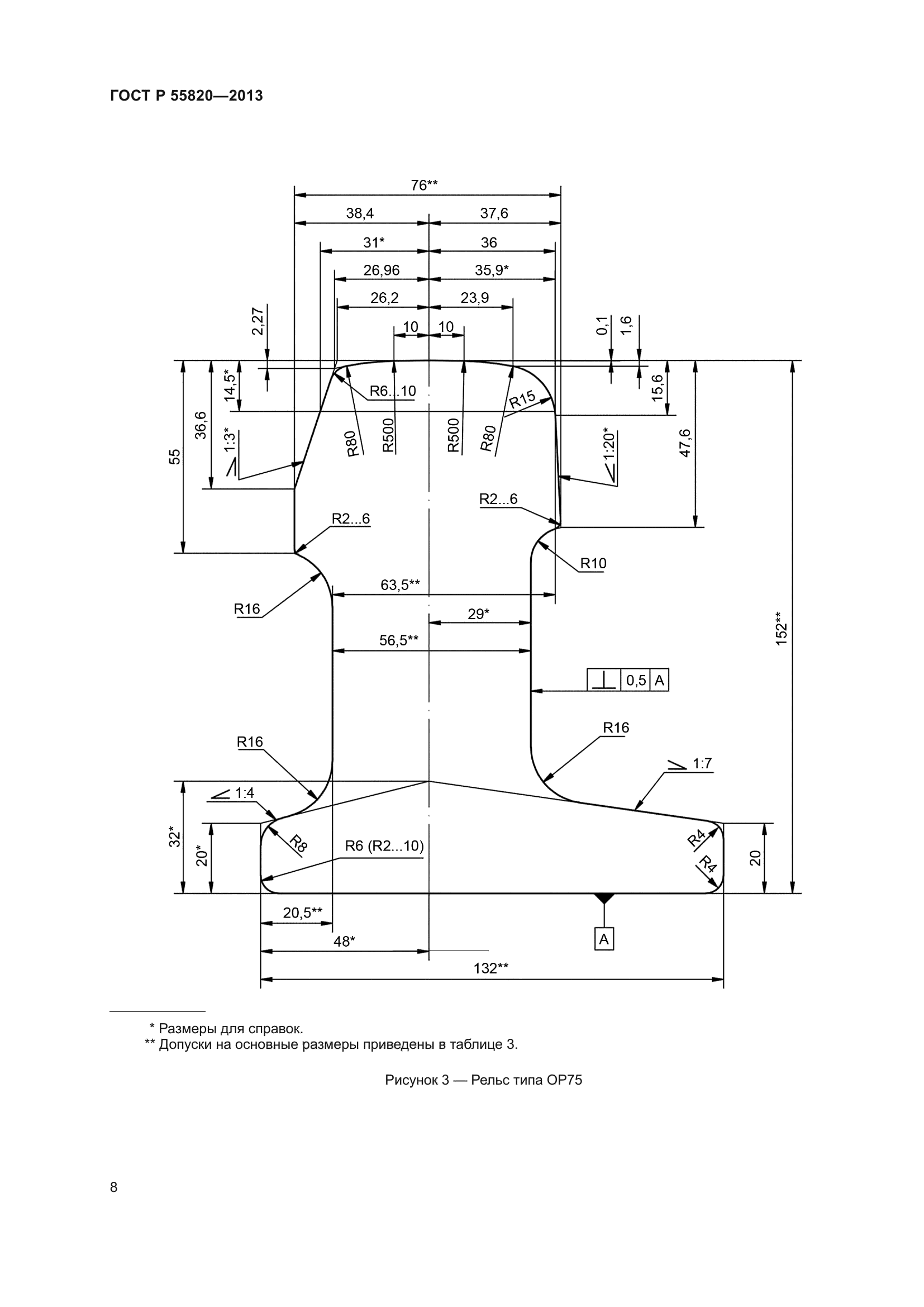
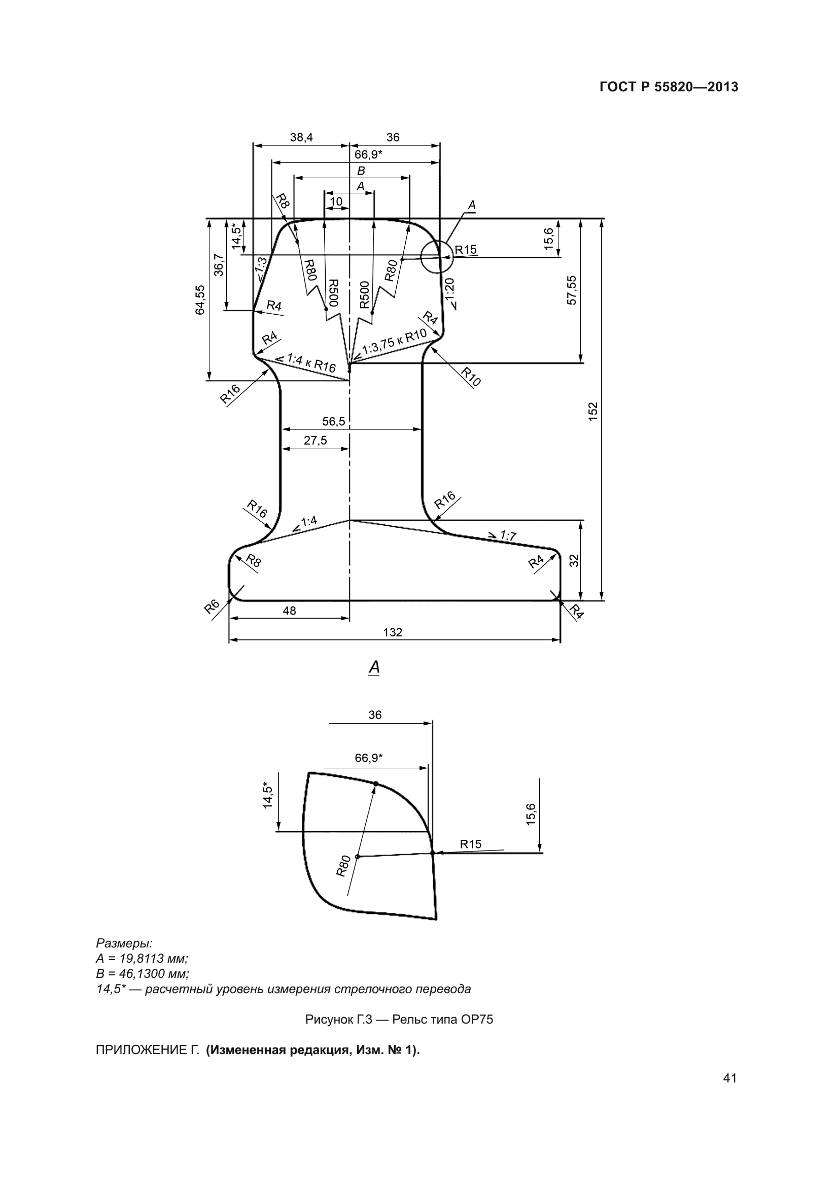
| Область применения: | Настоящий стандарт распространяется на железнодорожные остряковые рельсы (далее - рельсы), предназначенные для изготовления конструкций верхнего строения железнодорожного пути широкой колеи общего и необщего пользования, и устанавливает технические требования |
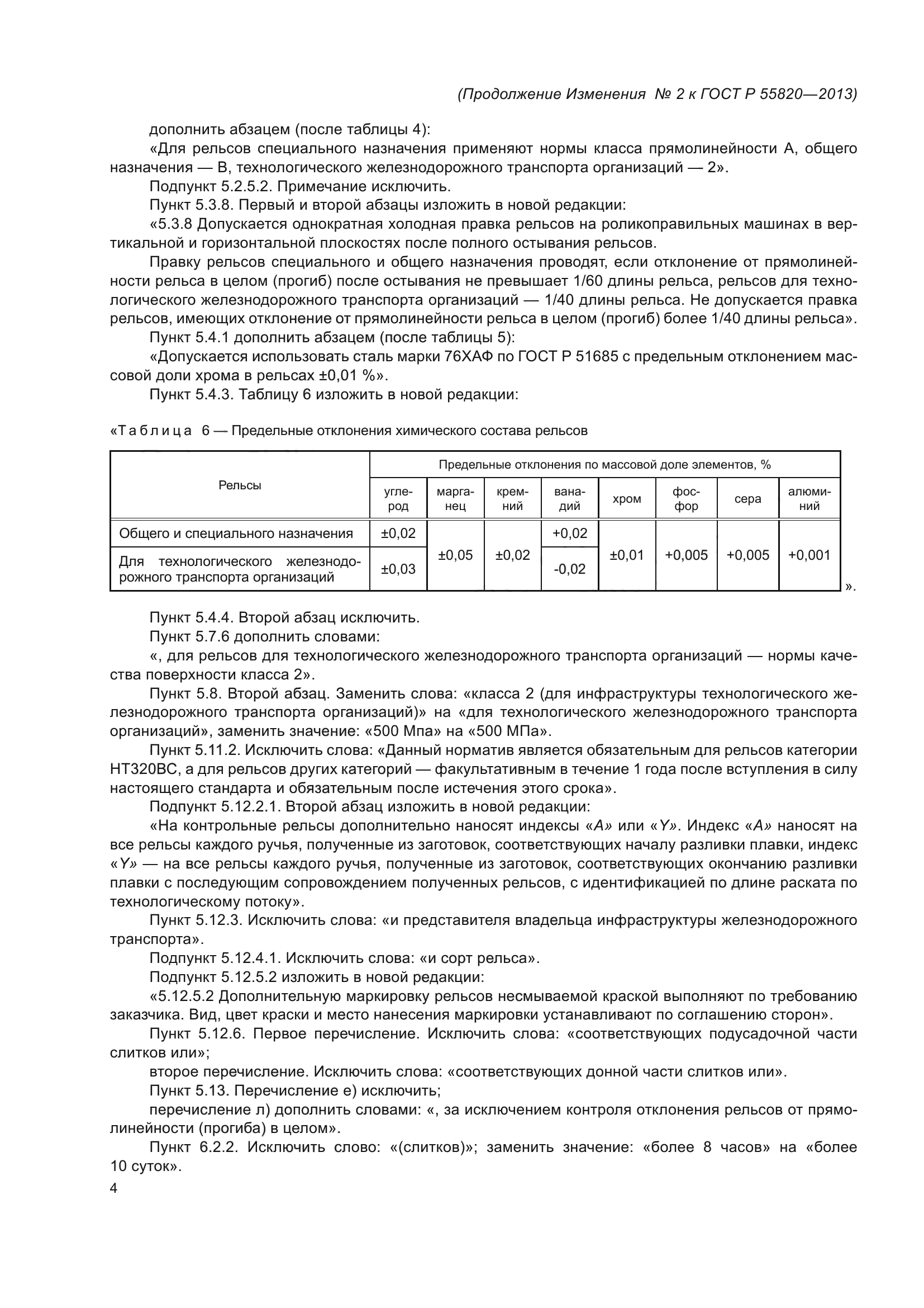
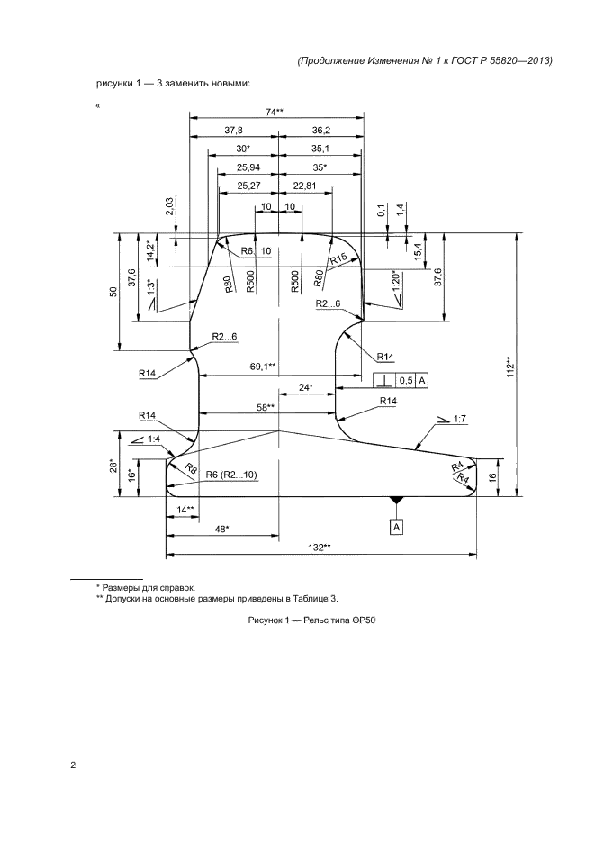
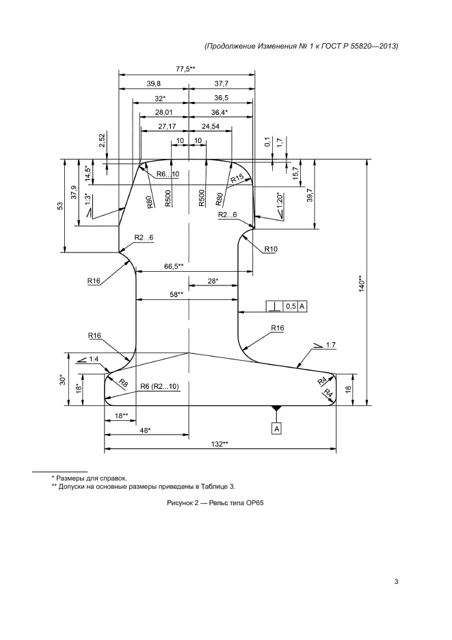
| Список изменений: | №1 от 01.02.2018 (рег. 17.11.2017) «Текстовое изменение; Изменены ссылочные НД» |
| Приложение №1: | Изменение №1 к ГОСТ Р 55820-2013 |
| Приложение №2: | Изменение №2 к ГОСТ Р 55820-2013 |
| Расположен в: | |




















































































| Обозначение: | Изменение №1 к ГОСТ Р 55820-2013 |
| Дата введения: | 01.02.2018 |























| Обозначение: | Изменение №2 к ГОСТ Р 55820-2013 |
| Дата введения: | 01.01.2023 |













