| ||||||||||||||||||||||||||||||||
Скачать ГОСТ Р ИСО 13628-3-2013 Нефтяная и газовая промышленность. Проектирование и эксплуатация систем подводной добычи. Часть 3. Системы проходных выкидных трубопроводов (TFL)Дата актуализации: 01.06.2025
| ||||||||||||||||||||||||||||||||
| Обозначение: | ![]() ГОСТ Р ИСО 13628-3-2013 |
| Статус: | заменён |
| Название рус.: | Нефтяная и газовая промышленность. Проектирование и эксплуатация систем подводной добычи. Часть 3. Системы проходных выкидных трубопроводов (TFL) |
| Дата актуализации текста: | 06.04.2015 |
| Дата актуализации описания: | 01.07.2023 |
| Дата издания: | 21.03.2014 |
| Дата введения: | 01.01.2014 |
| Дата окончания срока действия: | 01.08.2021 |
| Заменяющий: | ГОСТ Р 59299-2021 |
| Аутентичен стандартам: | ISO 13628-3:2000 |
| Нормативные ссылки: | ISO 3183-1; ISO 11960;ISO 13628-4:1999;API RP 14E;API Std 1104 |
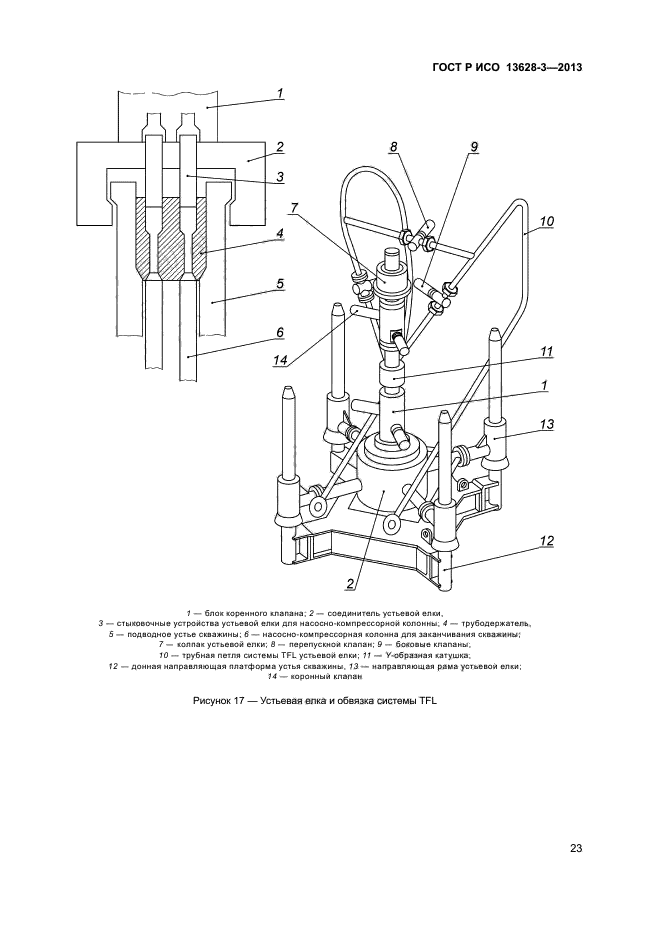
| Область применения: | Настоящий стандарт устанавливает требования и рекомендации по проектированию, изготовлению и эксплуатации оборудования и систем TFL.Описанные процедуры и установленные требования относятся к осуществляемому через выкидные линии гидравлическому обслуживанию скважинного оборудования, подводной устьевой елки, трубодержателя, а также выкидных трубопроводов и оборудования. Настоящий стандарт главным образом рассматривает, но не ограничивает, морское и подводное применение систем TFL. Применение систем TFL возможно и в иных случаях, например, для скважин с большим отклонением от вертикали или горизонтальных скважин. Настоящий стандарт не распространяется на подводные сепарационные, дожимные, дозировочные и скважинные насосы |
| Расположен в: | |
































































