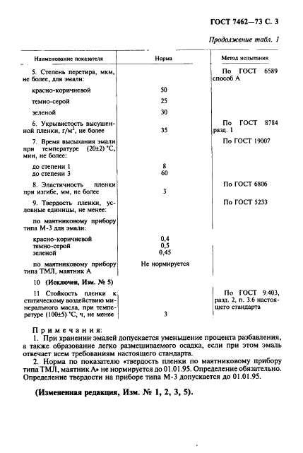
| ||||||||||||||||||||||||||||||||||
Скачать ГОСТ 7462-73 Эмали НЦ-5123. Технические условияДата актуализации: 01.06.2025
| ||||||||||||||||||||||||||||||||||
| Обозначение: | ![]() ГОСТ 7462-73 |
| Статус: | действующий |
| Название рус.: | Эмали НЦ-5123. Технические условия |
| Название англ.: | Enamels НЦ-5123. Specifications |
| Дата актуализации текста: | 06.04.2015 |
| Дата актуализации описания: | 01.07.2023 |
| Дата издания: | 01.03.1997 |
| Дата введения: | 01.01.1974 |
| Код ОКП: | 231422 |
| Взамен: | ГОСТ 7462-55 |
| Нормативные ссылки: | ГОСТ 9.403-80; ГОСТ 12.3.005-75; ГОСТ 12.1.044-89; ГОСТ 12.3.005-75; ГОСТ 1274.011-89; ГОСТ 12.4.021-75; ГОСТ 17.2.3.02-78; ГОСТ 5233-89; ГОСТ 6589-74; ГОСТ 6613-86; ГОСТ 6806-73; ГОСТ 7462-73; ГОСТ 8420-74; ГОСТ 8784-75; ГОСТ 8832-76; ГОСТ 9980.1-86; ГОСТ 9980.2-86; ГОСТ 9980.3-86; ГОСТ 9980.4-86; ГОСТ 9980.5-86; ГОСТ 10054-82; ГОСТ 13345-85; ГОСТ 14192-77; ГОСТ 16523-89; ГОСТ 17537-72; ГОСТ 18188-72; ГОСТ 19007-73; ГОСТ 19433-88; ГОСТ 23343-78; ГОСТ 25129-82 |
| Область применения: | Настоящий стандарт распространяется на эмали НЦ-5123, представляющие собой суспензию пигментов в растворе коллоксилина и смолы в смеси летучих органических растворителей с добавлением пластификаторов. Эмали предназначаются для окраски необработанных поверхностей литых, соприкасающихся с маслом деталей двигателей автомобилей, тракторов и сельскохозяйственных машин. Эмали наносят на поверхность методами пневматического распыления или окунания |
| Список изменений: | №1 от 01.07.1979 (рег. 20.02.1979) «Срок действия продлен» №2 от 01.01.1984 (рег. 26.07.1983) «Срок действия продлен» №3 от 01.04.1986 (рег. 30.10.1985) «Срок действия продлен» №4 от 01.11.1988 (рег. 05.06.1988) «Срок действия продлен» №5 от 01.01.1994 (рег. 01.07.1993) «Срок действия продлен» |
| Расположен в: | |










