ГОСУДАРСТВЕННЫЙ СТАНДАРТ СОЮЗА ССР

Единая система конструкторской документации

УКАЗАНИЕ НА ЧЕРТЕЖАХ ДОПУСКОВ ФОРМЫ И РАСПОЛОЖЕНИЯ ПОВЕРХНОСТЕЙ

Unified system for design documentation. Representation of limits of forms and surface lay-out on drawings

ГОСТ
2.308-79*

(CT СЭВ 368-76)

Взамен
ГОСТ 2.308-68

Постановлением Государственного комитета СССР по стандартам от 4 января 1979 г. № 31 срок введения установлен

с 01.01.80

Настоящий стандарт устанавливает правила указания допусков формы и расположения поверхностей на чертежах изделий всех отраслей промышленности.

Термины и определения допусков формы и расположения поверхностей - по ГОСТ 24642-81.

Числовые значения допусков формы и расположения поверхностей - по ГОСТ 24643-81.

Стандарт полностью соответствует СТ СЭВ 368-76.

(Измененная редакция, Изм. № 1).

1. ОБЩИЕ ТРЕБОВАНИЯ

1.1. Допуски формы и расположения поверхностей указывают на чертежах условными обозначениями.

Вид допуска формы и расположения поверхностей должен быть обозначен на чертеже знаками (графическими символами), приведенными в таблице.

Группа допусков

Вид допуска

Знак

Допуск формы

Допуск прямолинейности

Допуск плоскостности

Допуск круглости

Допуск цилиндричности

Допуск профиля продольного сечения

Допуск расположения

Допуск параллельности

Допуск перпендикулярности

Допуск наклона

Допуск соосности

Допуск симметричности

Позиционный допуск

Допуск пересечения, осей

Суммарные допуски формы и расположения

Допуск радиального биения

Допуск торцового биения

Допуск биения в заданном направлении

Допуск полного радиального биения

Допуск полного торцового биения

Допуск формы заданного профиля

Допуск формы заданной поверхности

Формы и размеры знаков приведены в обязательном приложении 1.

Примеры указания на чертежах допусков формы и расположения поверхностей приведены в справочном приложении 2.

Примечание. Суммарные допуски формы и расположения поверхностей, для которых не установлены отдельные графические знаки, обозначают знаками составных допусков в следующей последовательности: знак допуска расположения, знак допуска формы.

Например:

 - знак суммарного допуска параллельности и плоскостности;

 - знак суммарного допуска перпендикулярности и плоскостности;

 - знак суммарного допуска наклона и плоскостности.

1.2. Допуск формы и расположения поверхностей допускается указывать текстом в технических требованиях, как правило, в том случае, если отсутствует знак вида допуска.

1.3. При указании допуска формы и расположения поверхностей в технических требованиях текст должен содержать:

вид допуска;

указание поверхности или другого элемента, для которого задается допуск (для этого используют буквенное обозначение или конструктивное наименование, определяющее поверхность);

числовое значение допуска в миллиметрах;

указание баз, относительно которых задается допуск (для допусков расположения и суммарных допусков формы и расположения);

указание о зависимых допусках формы или расположения (в соответствующих случаях).

1.4. При необходимости нормирования допусков формы и расположения, не указанных на чертеже числовыми значениями и не ограничиваемых другими указанными в чертеже допусками формы и расположения, в технических требованиях чертежа должна быть приведена общая запись о неуказанных допусках формы и расположения со ссылкой на ГОСТ 25069-81 или другие документы, устанавливающие неуказанные допуски формы и расположения.

Например: 1. Неуказанные допуски формы и расположения - по ГОСТ 25069-81.

2. Неуказанные допуски соосности и симметричности - по ГОСТ 25069-81.

(Введен дополнительно, Изм. № 1).

2. НАНЕСЕНИЕ ОБОЗНАЧЕНИЙ ДОПУСКОВ

2.1. При условном обозначении данные о допусках формы и расположения поверхностей указывают в прямоугольной рамке, разделенной на две и более части (черт. 1, 2), в которых помещают:

в первой - знак допуска по таблице;

во второй - числовое значение допуска в миллиметрах;

в третьей и последующих - буквенное обозначение базы (баз) или буквенное обозначение поверхности, с которой связан допуск расположения (пп. 3.7; 3.9).

Черт. 1

Черт. 2

2.2. Рамки следует выполнять сплошными тонкими линиями. Высота цифр, букв и знаков, вписываемых в рамки, должна быть равна размеру шрифта размерных чисел.

Графическое изображение рамки приведено в обязательном приложении 1.

2.3. Рамку располагают горизонтально. В необходимых случаях допускается вертикальное расположение рамки.

Не допускается пересекать рамку какими-либо линиями.

2.4. Рамку соединяют с элементом, к которому относится допуск, сплошной тонкой линией, заканчивающейся стрелкой (черт. 3).

Черт. 3

Соединительная линия может быть прямой или ломаной, но направление отрезка соединительной линии, заканчивающегося стрелкой, должно соответствовать направлению измерения отклонения. Соединительную линию отводят от рамки, как показано на черт. 4.

Черт. 4

В необходимых случаях допускается:

проводить соединительную линию от второй (последней) части рамки (черт. 5а);

заканчивать соединительную линию стрелкой и со стороны материала детали (черт. 5б).

Черт. 5

2.5. Если допуск относится к поверхности или ее профилю, то рамку соединяют с контурной линией поверхности или ее продолжением, при этом соединительная линия не должна быть продолжением размерной линии (черт. 6, 7).

Черт. 6

Черт. 7

2.6. Если допуск относится к оси или плоскости симметрии, то соединительная линия должна быть продолжением размерной линии (черт. 8а, б). При недостатке места стрелку размерной линии допускается совмещать со стрелкой соединительной линии (черт. 8в).

Черт. 8

Если размер элемента уже указан один раз, то на других размерных линиях данного элемента, используемых для условного обозначения допуска формы и расположения, его не указывают. Размерную линию без размера следует рассматривать как составную часть условного обозначения допуска формы или расположения (черт. 9).

Черт. 9

Черт. 10

2.7. Если допуск относится к боковым сторонам резьбы, то рамку соединяют с изображением в соответствии с черт. 10а.

Если допуск относится к оси резьбы, то рамку соединяют с изображением в соответствии с черт. 10б.

2.8. Если допуск относится к общей оси (плоскости симметрии) и из чертежа ясно, для каких поверхностей данная ось (плоскость симметрии) является общей, то рамку соединяют с осью (плоскостью симметрии) (черт. 11а, б).

Черт. 11

2.9. Перед числовым значением допуска следует указывать:

символ Æ, если круговое или цилиндрическое поле допуска указывают диаметром (черт. 12а);

символ R, если круговое или цилиндрическое поле допуска указывают радиусом (черт. 12б);

символ Т, если допуски симметричности, пересечения осей, формы заданного профиля и заданной поверхности, а также позиционные допуски (для случая, когда поле позиционного допуска ограничено двумя параллельными прямыми или плоскостями) указывают в диаметральном выражении (черт. 12в);

символ Т/2 для тех же видов допусков, если их указывают в радиусном выражении (черт. 12г);

слово «сфера» и символы Æ или R, если поле допуска сферическое (черт. 12д).

Черт. 12

2.10. Числовое значение допуска формы и расположения поверхностей, указанное в рамке (черт. 13а), относится ко всей длине поверхности. Если допуск относится к любому участку поверхности заданной длины (или площади), то заданную длину (или площадь) указывают рядом с допуском и отделяют от него наклонной линией (черт. 13 б, в), которая не должна касаться рамки.

Если необходимо назначить допуск на всей длине поверхности и на заданной длине, то допуск на заданной длине указывают под допуском на всей длине (черт. 13г).

Черт. 13

(Измененная редакция, Изм. № 1).

2.11. Если допуск должен относиться к участку, расположенному в определенном месте элемента, то этот участок обозначают штрихпунктирной линией и ограничивают размерами согласно черт. 14.

Черт. 14

2.12. Если необходимо задать выступающее поле допуска расположения, то после числового значения допуска указывают символ

Контур выступающей части нормируемого элемента ограничивают тонкой сплошной линией, а длину и расположение выступающего поля допуска - размерами (черт. 15).

Черт. 15

2.13. Надписи, дополняющие данные, приведенные в рамке допуска, следует наносить над рамкой под ней или как показано на черт. 16.

Черт. 16

(Измененная редакция, Изм. № 1).

2.14. Если для одного элемента необходимо задать два разных вида допуска, то допускается рамки объединять и располагать их согласно черт. 17 (верхнее обозначение).

Если для поверхности требуется указать одновременно условное обозначение допуска формы или расположения и ее буквенное обозначение, используемое для нормирования другого допуска, то рамки с обоими условными обозначениями допускается располагать рядом на соединительной линии (черт. 17, нижнее обозначение).

2.15. Повторяющиеся одинаковые или разные виды допусков, обозначаемые одним и тем же знаком, имеющие одинаковые числовые значения и относящиеся к одним и тем же базам, допускается указывать один раз в рамке, от которой отходит одна соединительная линия, разветвляемая затем ко всем нормируемым элементам (черт. 18).

Черт. 17

Черт. 18

2.16. Допуски формы и расположения симметрично расположенных элементов на симметричных деталях указывают один раз.

3. ОБОЗНАЧЕНИЕ БАЗ

3.1. Базы обозначают зачерненным треугольником, который соединяют при помощи соединительной линии с рамкой. При выполнении чертежей с помощью выводных устройств ЭВМ допускается треугольник, обозначающий базу, не зачернять.

Треугольник, обозначающий базу, должен быть равносторонним, высотой приблизительно равной размеру шрифта размерных чисел.

3.2. Если базой является поверхность или ее профиль, то основание треугольника располагают на контурной линии поверхности (черт. 19а) или на ее продолжении (черт. 19б). При этом соединительная линия не должна быть продолжением размерной линии.

Черт. 19

3.3. Если базой является ось или плоскость симметрии, то треугольник располагают на конце размерной линии (черт. 18).

В случае недостатка места стрелку размерной линии допускается заменять треугольником, обозначающим базу (черт. 20).

Черт. 20

Если базой является общая ось (черт. 21а) или плоскость симметрии (черт. 21б) и из чертежа ясно, для каких поверхностей ось (плоскость симметрии) является общей, то треугольник располагают на оси.

Черт. 21

(Измененная редакция, Изм. № 1).

3.4. Если базой является ось центровых отверстий, то рядом с обозначением базовой оси делают надпись «Ось центров» (черт. 22).

Допускается обозначать базовую ось центровых отверстий в соответствии с черт. 23.

Черт. 22

Черт. 23

3.5. Если базой является определенная часть элемента, то ее обозначают штрихпунктирной линией и ограничивают размерами в соответствии с черт. 24.

Если базой является определенное место элемента, то оно должно быть определено размерами согласно черт. 25.

Черт. 24

Черт. 25

3.6. Если нет необходимости выделять как базу пи одну из поверхностей, то треугольник заменяют стрелкой (черт. 26б).

3.7. Если соединение рамки с базой или другой поверхностью, к которой относится отклонение расположения, затруднительно, по поверхность обозначают прописной буквой, вписываемой в третью часть рамки. Эту же букву вписывают в рамку, которую соединяют с обозначаемой поверхностью линией, закапчивающейся треугольником, если обозначают базу (черт. 27а), или стрелкой, если обозначаемая поверхность не является базой (черт. 27б). При этом букву следует располагать параллельно основной надписи.

Черт. 26

Черт. 27

3.8. Если размер элемента уже указан один раз, то на других размерных линиях данного элемента, используемых для условного обозначения базы, его не указывают. Размерную линию без размера следует рассматривать как составную часть условного обозначения базы (черт. 28).

Черт. 28

3.9. Если два или несколько элементов образуют объединенную базу и их последовательность не имеет значения (например, они имеют общую ось или плоскость симметрии), то каждый элемент обозначают самостоятельно и все буквы вписывают подряд в третью часть рамки (черт. 25, 29).

3.10. Если необходимо задать допуск расположения относительно комплекта баз, то буквенные обозначения баз указывают в самостоятельных частях (третьей и далее) рамки. В этом случае базы записывают в порядке убывания числа степеней свободы, лишаемых ими (черт. 30).

Черт. 29

Черт. 30

4. УКАЗАНИЕ НОМИНАЛЬНОГО РАСПОЛОЖЕНИЯ

4.1. Линейные и угловые размеры, определяющие номинальное расположение и (или) номинальную форму элементов, ограничиваемых допуском, при назначении позиционного допуска, допуска наклона, допуска формы заданной поверхности или заданного профиля, указывают на чертежах без предельных отклонений и заключают в прямоугольные рамки (черт. 31).

Черт. 31

5. ОБОЗНАЧЕНИЕ ЗАВИСИМЫХ ДОПУСКОВ

5.1. Зависимые допуски формы и расположения обозначают условным знаком , который помещают:

после числового значения допуска, если зависимый допуск связан с действительными размерами рассматриваемого элемента (черт. 32а);

после буквенного обозначения базы (черт. 32б) или без буквенного обозначения в третьей части рамки (черт. 32г), если зависимый допуск связан с действительными размерами базового элемента;

после числового значения допуска и буквенного обозначения базы (черт. 32в) или без буквенного обозначения (черт. 32д), если зависимый допуск связан с действительными размерами рассматриваемого и базового элементов.

5.2. Если допуск расположения или формы не указан как зависимый, то его считают независимым.

Черт. 32


ПРИЛОЖЕНИЕ 1
Обязательное

ФОРМА И РАЗМЕРЫ ЗНАКОВ


ПРИЛОЖЕНИЕ 2
Справочное

ПРИМЕРЫ УКАЗАНИЯ НА ЧЕРТЕЖАХ ДОПУСКОВ ФОРМЫ И РАСПОЛОЖЕНИЯ ПОВЕРХНОСТЕЙ

Вид допуска

Указания допусков формы и расположения условным обозначением

Пояснение

1. Допуск прямолинейности

Допуск прямолинейности образующей конуса 0,01 мм.

Допуск прямолинейности оси отверстия Æ 0,08 мм (допуск зависимый).

Допуск прямолинейности поверхности 0,25 мм на всей длине и 0,1 мм на длине 100 мм.

Допуск прямолинейности поверхности в поперечном направлении 0,06 мм, в продольном направлении 0,1 мм.

2. Допуск плоскостности

Допуск плоскостности поверхности 0,1 мм.

Допуск плоскостности поверхности 0,1 мм на площади 100´100 мм.

Допуск плоскостности поверхностей относительно общей прилегающей плоскости 0,1 мм.

Допуск плоскостности каждой поверхности 0,01 мм.

3. Допуск круглости

Допуск круглости вала 0,02 мм.

Допуск круглости конуса 0,02 мм.

4. Допуск цилиндричности

Допуск цилиндричности вала 0,04 мм.

Допуск цилиндричности вала 0,01 мм на длине 50 мм. Допуск круглости вала 0,004 мм.

5. Допуск профиля продольного сечения

Допуск круглости вала 0,01 мм.

Допуск профиля продольного сечения вала 0,016 мм.

Допуск профиля продольного сечения вала 0,1 мм.

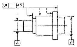
6. Допуск параллельности

Допуск параллельности поверхности относительно поверхности А 0,02 мм.

Допуск параллельности общей прилегающей плоскости поверхностей относительно поверхности А 0,1 мм.

Допуск параллельности каждой поверхности относительно поверхности А 0,1 мм.

Допуск параллельности оси отверстия относительно основания 0,05 мм.

Допуск параллельности осей отверстий в общей плоскости 0,1 мм.

Допуск перекоса осей отверстий 0,2 мм.

База - ось отверстия А.

Допуск параллельности оси отверстия относительно оси отверстия А 00,2 мм.

7. Допуск перпендикулярности

Допуск перпендикулярности поверхности относительно поверхности А 0,02 мм.

Допуск перпендикулярности оси отверстия относительно оси отверстия А 0,06 мм.

Допуск перпендикулярности оси выступа относительно поверхности А Æ 0,02 мм.

Допуск перпендикулярности осп выступа относительно основания 0,l мм.

Допуск перпендикулярности оси выступа в поперечном направлении 0,2 мм, в продольном направлении 0,1 мм.

База - основание

Допуск перпендикулярности оси отверстия относительно поверхности Æ 0,1 мм (допуск зависимый).

8. Допуск наклона

Допуск наклона поверхности относительно поверхности А 0,08 мм.

Допуск наклона оси отверстия относительно поверхности А 0,08 мм.

9. Допуск соосности

Допуск соосности отверстия относительно отверстия Æ 0,08 мм.

Допуск соосности двух отверстий относительно их общей оси Æ 0,01 мм (допуск зависимый).

10. Допуск симметричности

Допуск симметричности паза Т 0,05 мм.

База - плоскость симметрии поверхностей А

Допуск симметричности отверстия Т 0,05 мм (допуск зависимый).

База - плоскость симметрии поверхности А.

Допуск симметричности осп отверстия относительно общей плоскости симметрии пазов АБ Т 0,2 мм и относительно общей плоскости симметрии пазов ВГ Т 0,1 мм.

11. Позиционный допуск

Позиционный допуск оси отверстия Æ 9,06 мм.

Позиционный допуск осей отверстий Æ 0,2 мм (допуск зависимый).

Позиционный допуск осей 4-х отверстий Æ 0,1 мм (допуск зависимый).

База - ось отверстия А (допуск зависимый).

Позиционный допуск 4-х отверстий Æ 0,1 мм (допуск зависимый).

Позиционный допуск 3-х резьбовых отверстий Æ 0,1 мм (допуск зависимый) на участке, расположенном вне детали и выступающем на 30 мм от поверхности.

12. Допуск пересечения осей

Допуск пересечения осей отверстий Т 0,06 мм

13. Допуск радиального биения

Допуск радиального биения вала относительно оси конуса 0,01 мм.

Допуск радиального биения поверхности относительно общей оси поверхностен А и Б 0,1 мм

Допуск радиального биения участка поверхности относительно оси отверстия А 0,2 мм

Допуск радиального биения отверстия 0,01 мм

Первая база - поверхность Л. Вторая база - ось поверхности В.

Допуск торцового биения относительно тех же баз 0,016 мм.

14. Допуск торцового биения

Допуск торцового биения на диаметре 20 мм относительно оси поверхности А 0,1 мм

15. Допуск биения в заданном направлении

Допуск биения конуса относительно оси отверстия А в направлении, перпендикулярном к образующей конуса 0,01 мм.

16. Допуск полного радиального биения

Допуск полного радиального биения относительно общей оси поверхностен А и Б 0,1 мм.

17. Допуск полного торцового биения

Допуск полного торцового биения поверхности относительно оси поверхности 0,1 мм.

18. Допуск формы заданного профиля

Допуск формы заданного профиля Т 0,04 мм.

19. Допуск формы заданной поверхности

Допуск формы заданной поверхности относительно поверхностей А, Б, В, Т 0,1 мм.

20. Суммарный допуск параллельности и плоскостности

Суммарный допуск параллельности и плоскостности поверхности относительно основания 0,1 мм.

21. Суммарный допуск перпендикулярности и плоскостности

Суммарный допуск перпендикулярности и плоскостности поверхности относительно основания 0,02 мм.

22. Суммарный допуск наклона и плоскостности

Суммарный допуск наклона и плоскостности поверхности относительно основания 0,05 ми

Примечания:

1. В приведенных примерах допуски соосности, симметричности, позиционные, пересечения осей, формы заданного профиля и заданной поверхности указаны в диаметральном выражении.

Допускается указывать их в радиусном выражении, например:

В ранее выпущенной документации допуски соосности, симметричности, смещения осей от номинального расположения (позиционного допуска), обозначенные соответственно знаками  или текстом в технических требованиях, следует понимать как допуски в радиусном выражении.

2. Указание допусков формы и расположения поверхностей в текстовых документах или в технических требованиях чертежа следует приводить по аналогии с текстом пояснении к условным обозначениям допусков формы и расположения, приведенным в настоящем приложении.

При этом поверхности, к которым относятся допуски формы и расположения или которые приняты за базу, следует обозначать буквами или проводить их конструкторские наименования.

Допускается вместо слов «допуск зависимый» указывать знак  и вместо указаний перед числовым значением символов Æ; R; Т; Т/2 запись текстом, например, «позиционный допуск оси 0,1 мм в диаметральном выражении» или «допуск симметричности 0,12 мм в радиусном выражении».

3. Во вновь разрабатываемой документации запись в технических требованиях о допусках овальности, конусообразности, бочкообразности и седлообразности должна быть, например, следующей: «Допуск овальности поверхности А 0,2 мм (полуразность диаметров).

В технической документации, разработанной до 01.01.80, предельные значения овальности, конусообразности, бочкообразности и седлообразности определяют как разность наибольшего и наименьшего диаметров.

(Измененная редакция, Изм. № 1).

СОДЕРЖАНИЕ

1. Общие требования. 1

2. Нанесение обозначений допусков. 2

3. Обозначение баз. 6

4. Указание номинального расположения. 9

5. Обозначение зависимых допусков. 9

Приложение 1. Форма и размеры знаков. 10

Приложение 2. Примеры указания на чертежах допусков формы и расположения поверхностей. 11