
ГОСУДАРСТВЕННЫЙ СТАНДАРТ СОЮЗА ССР
КОЛОННЫ
СТАЛЬНЫЕ СТУПЕНЧАТЫЕ
ДЛЯ ЗДАНИЙ С МОСТОВЫМИ
ЭЛЕКТРИЧЕСКИМИ КРАНАМИ
ОБЩЕГО НАЗНАЧЕНИЯ
ГРУЗОПОДЪЕМНОСТЬЮ ДО 50 т
Технические условия
ГОСТ 23682-79
Государственный комитет СССР
по делам строительства
Москва
РАЗРАБОТАН
Государственным комитетом СССР по делам строительства Минмонтажспецстроем СССР
ИСПОЛНИТЕЛИ
А.Е. Лапук (руководитель темы), М.Ю. Бельская, С.И. Бочкова, У.П. Шибаев, А.Я. Болтянский, Э.М. Кулешова
ВНЕСЕН Государственным комитетом СССР по делам строительства
Начальник отдела В.А. Алексеев
УТВЕРЖДЕН И ВВЕДЕН В ДЕЙСТВИЕ Постановлением Государственного комитета СССР по делам строительства от 22 мая 1979 года № 70
ГОСУДАРСТВЕННЫЙ СТАНДАРТ СОЮЗА ССР
|
КОЛОННЫ СТАЛЬНЫЕ СТУПЕНЧАТЫЕ Технические условия Steel stepped columns for buildings with general-purpose Specifications |
ГОСТ |
Постановлением Государственного комитета СССР по делам строительства от 22 мая 1979 г. № 70 срок введения установлен
с 01.01.1981 г.
Несоблюдение стандарта преследуется по закону
Настоящий стандарт распространяется на стальные сварные ступенчатые колонны с надкрановой (верхней) сплошностенчатой частью и подкрановой (нижней) решетчатой частью.
Колонны предназначаются для одноэтажных производственных зданий высотой от 10,8 до 18,0 м, пролетами от 18 до 36 м; с одноярусным расположением кранов, возводимых в районах с расчетной температурой наружного воздуха минус 65 °С и выше и сейсмичностью до 9 баллов включительно, с неагрессивными, слабо- и среднеагрессивными средами. В зданиях для производств со среднеагрессивными средами шаг колонн должен быть не менее 12 м.
Колонны должны удовлетворять требованиям ГОСТ 23118-78 и требованиям, изложенным в соответствующих разделах настоящего стандарта.
1.1. Колонны должны изготовляться двух видов:
с односторонней подкрановой ступенью для крайнего ряда;
с двусторонней подкрановой ступенью для среднего ряда.
1.2.Колонны каждого вида могут изготовляться в двух исполнениях:
1 - для зданий без проходов вдоль крановых путей;
2 - для зданий с проходами вдоль крановых путей.
Колонны среднего ряда в исполнении 2 должны изготовляться с надкрановой частью, смещенной относительно продольной разбивочной оси здания для возможности прохода с одной стороны колонны.
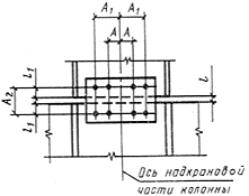
1.3. Основные размеры колонн и привязки колонн к продольным осям здания должны соответствовать указанным на чертеже и в табл. 1.
2.1. Колонны должны изготовляться в соответствии с требованиями настоящего стандарта и СНиП III-18-75, по рабочим чертежам КМД, утвержденным в установленном порядке.
2.2. Надкрановая часть колонн и ветви подкрановой части должны быть двутаврового сечения, решетка подкрановой части - двухплоскостной из одиночных уголков.
Допускается для наружной ветви колонн крайнего ряда швеллерное сечение. В зданиях для производств со среднеагрессивными средами наружная ветвь колонн должна быть только швеллерного сечения.
2.3. Колонны должны изготовляться из проката стали классов, приведенных в табл. 2.
2.4. Торцы надкрановых и подкрановых частей колонн, а также верхняя плоскость плит баз должны быть механически обработанными в соответствии с указаниями на чертеже.
Шероховатость
механически обработанной поверхности - Rz
320 мкм (1-й
класс) по ГОСТ 2789-73.
2.5. Сварные соединения элементов колонн должны быть выполнены автоматической и полуавтоматической сваркой по ГОСТ 8713-70 или ГОСТ 14771-76.
Допускается применение ручной сварки по ГОСТ 5264-69 для монтажных соединений.
2.6. Материалы для сварки, а также болты грубой или нормальной точности должны приниматься в соответствии со СНиП II-В.3-72.
2.7. Предельные отклонения линейных размеров колонн и их элементов от номинальных приведены в табл. 3.
2.8. Предельные отклонения формы и расположения поверхностей элементов колонн от проектных приведены в табл. 4.
2.9. К плитам баз колонн (для выверки и закрепления их в проектное положение перед подливкой бетона) должны быть приварены планки с отверстиями для специальных анкерных болтов.
На базах колонн должны быть накернены риски, необходимые при установке колонн в проектное положение.
2.10. Колонны должны быть огрунтованы и окрашены. Грунтовка и окраска должны соответствовать V классу покрытия по ГОСТ 9.032-74.
Колонны крайнего ряда Колонны среднего ряда

* При обосновании допускается - 0,900 м.
** При назначении
ряда
следует руководствоваться указаниями СНиП
II-М.2-72.
1 - плита; 2 - ребро на уровне верха подкрановой балки; 3 - подкрановая ступень; 4 - стенка подкрановой ступени; 5 - диафрагма; 6 - анкерная плитка; 7 - траверса базы; 8 - плита базы; 9 - шаблон для сборки на монтаже
Таблица 1
|
От 6200 до 14200 включ. |
|
|
|
От 3200 до 5200 включ. |
|
|
10,8; 12,0; 13,2; 14,4; 15,6; 16,8; 18,0 |
Таблица 2
|
Прокат |
Класс стали |
|||
|
Вид |
Обозначение нормативно- технического документа |
|||
|
Надкрановая часть колонны |
Основной элемент |
Двутавр с параллельными гранями полок |
ТУ 14-2-24-72 |
С38/23; C44/29; C46/33
|
|
Сталь листовая (при сварном двутавре) |
||||
|
Плита, ребро |
Сталь листовая |
|||
|
Подкрановая часть колонны |
Ветвь |
Балка двутавровая |
ГОСТ 8239-72 |
|
|
Двутавр с параллельными гранями полок |
ТУ 14-2-24-72 |
|||
|
Сталь листовая (при сварном двутавре или холодногнутом швеллере) |
||||
|
Швеллер |
ГОСТ 8240-72 |
|||
|
Элемент решетки |
Сталь угловая равнополочная |
ГОСТ 8509-72 |
||
|
Диафрагма |
Швеллер |
ГОСТ 8240-72 |
||
|
Плита, стенка подкрановой ступени, ребро, стыковая накладка, фасонка, траверса базы |
Сталь листовая |
|||
|
Плита базы |
|
|
||
|
Анкерная плитка |
|
|
||
|
Примечание. Выбор класса и марки стали для элементов колонн должен производиться в соответствии со СНиП II-В.3-72 и СНиП II-28-73. |
||||
Таблица 3
мм
|
Пред. откл. |
Эскиз |
|
|
Длина подкрановой части колонны |
|
См. чертеж |
|
Длина надкрановой части колонны |
|
|
|
Длина всей колонны ( |
|
|
|
Высота сварного сечения надкрановой части колонны h |
|
|
|
Расстояние между ветвями подкрановой части колонны (в сечениях колонны в пределах подкрановой ступени и базы) l: |
|
|
|
для крайнего ряда |
|
|
|
для среднего ряда
|
|
|
|
Привязка вертикального ребра подкрановой ступени колонны крайнего ряда l |
|
|
|
Привязка вертикальных ребер подкрановой ступени колонны среднего ряда: |
|
|
|
l
|
± 2,0 |
|
|
Расстояние между осями отверстий в плите надкрановой
части колонны и в плите подкрановой ступени |
|
|
|
Расстояние между ребром, расположенным на уровне верха подкрановой балки, и нижним торцом надкрановой части колонны l |
|
|
|
Расстояние между осью отверстий для крепления подкрановой
балки и ребром |
|
|
|
Расстояние между осями отверстий A |
|
|
|
В колонне крайнего ряда: |
|
|
|
расстояние между
осями отверстий для крепления тормозных устройств |
|
|
|
расстояние между осью отверстий и ребром, расположенным на уровне верха подкрановой балки l |
|
|
|
В стыке колонны крайнего ряда: |
|
|
|
расстояние между
осями отверстий |
|
|
|
расстояние между
осью отверстий и торцом надкрановой или подкрановой частей колонны |
|
Допускаемый вариант с наружной ветвью швеллерного сечения |
|
зазор между стыкуемыми частями колонны l |
|
|
|
В стыке колонны среднего ряда: |
|
|
|
расстояние между
осью отверстий и осью надкрановой части колонны |
|
|
|
расстояние между
осями отверстий |
|
|
|
расстояние между
осью отверстий и торцом надкрановой или подкрановой частей колонны зазор между стыкуемыми частями колонны l |
± 1,5 |
Таблица 4
мм
|
Пред. откл. |
Эскиз |
|
|
Непрямолинейность надкрановой части колонны, ветвей
подкрановой части и всей колонны по длине
|
|
|
|
до 4000 включ. |
5,0 |
|
|
св. 4000 " 8000 " |
8,0 |
|
|
" 8000 |
13,0 |
|
|
Смещение оси стенки подкрановой ступени |
3,0 |
|
|
Неперпендикулярность механически обработанного торца элемента колонны к его продольной оси при размере B: |
|
|
|
до 500 включ. |
0,3 |
|
|
св. 500 |
0,4 |
|
|
Взаимное смещение нижних торцов ветвей при размере l: |
|
|
|
до 1000 включ. |
0,6 |
|
|
св. 1000 " 1500 " |
0,8 |
|
|
" 2000 |
1,3 |
|
|
Смещение осей группы отверстий в плите надкрановой части колонны и в плите подкрановой ступени |
2,0 |
|
|
Неперпендикулярность поверхностей пояса и стенки сварного двутаврового сечения при ширине пояса B: |
|
|
|
до 250 включ. |
2,0 |
|
|
св. 250 " 500 " |
3,0 |
3.1. Колонны должны поставляться предприятием-изготовителем комплектно.
В состав комплекта должны входить:
отправочные элементы колонн (надкрановые и подкрановые части; анкерные плитки - по 4 шт. на каждую колонну; плиты баз - по 2 шт. на каждую колонну);
шаблоны для сборки колонн среднего ряда - по одному на двадцать колонн, но не менее двух;
техническая документация - в соответствии с требованиями ГОСТ 23118-78.
Допускается плиты баз отправлять отдельно до поставки остальных элементов комплекта.
Допускается по согласованию потребителя с предприятием-изготовителем соединение надкрановых и подкрановых частей колонн осуществлять на заводе. В этом случае шаблон для сборки колонн в комплект не входит.
4.1. Колонны (отправочные элементы) должны приниматься техническим контролем предприятия-изготовителя поштучно.
4.2. Контроль линейных размеров колонн и их элементов (в том числе размеров сечений профилей проката), формы и расположения поверхностей элементов, качества сварных соединений и подготовки поверхности под защитные покрытия должен производиться до грунтования колонн.
4.3. Контроль качества стыковых швов, соединяющих надкрановую часть колонны с подкрановой, должен производиться в первой и каждой двадцать пятой колонне.
4.4. При поставке колонн частями (надкрановыми и подкрановыми) контрольной сборке должна подвергаться первая и каждая десятая колонна.
4.5. Потребитель имеет право производить приемку колонн, применяя, при этом, правила приемки и методы контроля, установленные настоящим стандартом.
5.1. Контроль линейных размеров колонн и их элементов, формы и расположения поверхностей элементов, а также шероховатости механически обработанной поверхности следует производить методами и средствами, обеспечивающими требуемую точность измерений.
5.2. Контроль качества швов сварных соединений должен производиться внешним осмотром и измерениями 100 % швов по ГОСТ 3242-69.
Контроль качества стыковых швов, соединяющих надкрановую часть колонны с подкрановой, должен производиться (на заводе или стройплощадке) методами ультразвуковым по ГОСТ 14782-76 или радиографическим по ГОСТ 7512-75.
6.1. Изготовленные колонны должны быть замаркированы.
На каждом отправочном элементе колонны должны быть нанесены следующие маркировочные знаки:
номер заказа;
номер чертежа КМД, по которому изготовлен отправочный элемент колонны;
условное обозначение по чертежу КМД с указанием порядкового номера изготовления.
Пример маркировки:
![]()
где 210 - номер заказа;
7 - номер чертежа КМД;
К1 - условное обозначение;
3 - порядковый номер изготовления.
6.2. Маркировочные знаки должны наноситься несмываемой краской на отправочном элементе колонны:
для надкрановой части колонны в двух местах - на стенке двутавра в нижнем конце и на наружной плоскости полки в верхнем конце;
для подкрановой части колонны в двух местах - на наружной плоскости полки подкрановой ветви в зоне подкрановой ступени и на наружной плоскости стенки подкрановой ветви на расстоянии 600 - 1000 мм от низа базы;
для плиты базы в одном месте - на механически обработанной плоскости;
для анкерных плиток - на первой и последней плитке из пакета;
на шаблоне маркировочные знаки должны наноситься в одном месте.
6.3. Колонны (надкрановые и подкрановые части) при транспортировании и хранении должны опираться на деревянные подкладки и прокладки. Толщина деревянных подкладок должна быть не менее 50 мм при транспортировании и не менее 150 мм при хранении колонн. Толщина прокладок должна быть не менее 25 мм. Длина подкладок и прокладок должна быть больше габарита опирания колонн не менее чем на 100 мм.
При транспортировании и хранении должна быть обеспечена надежность закрепления колонн и сохранность их от повреждений.
Колонны должны храниться в штабелях высотой не более 2 м.
Плиты баз, анкерные плитки и шаблоны при транспортировании и хранении должны быть соединены в пакеты проволокой.
7.1. Монтаж колонн должен производиться в соответствии с требованиями СНиП III-18-75.
7.2. Предельные отклонения от проектного положения смонтированных конструкций приведены в табл. 5.
Таблица 5
мм
|
Пред. откл. |
Эскиз |
|
|
Отклонение отметки верха плиты базы |
1,5 |
|
|
Взаимное смещение плит баз по вертикали при размере l: |
|
|
|
до 1000 включ. |
0,6 |
|
|
св. 1000 " 1500 " |
0,8 |
|
|
2000 |
1,3 |
|
|
Уклон плиты базы при размере l: |
|
|
|
до 250 включ. |
0,2 |
|
|
св. 250 " 500 " |
0,3 |
|
|
" 500 |
0,5 |
|
|
Смещение осей ветвей подкрановой части колонны относительно разбивочных осей в нижнем сечении |
5,0 |
|
|
Отклонение колонны от вертикали в верхнем сечении |
15,0 |
|
СОДЕРЖАНИЕ